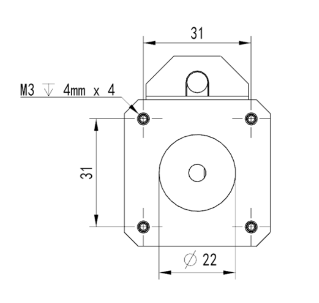
西门子S7-1200 PLC控制步进电机 MD-4240-PN (2) 硬件搭建 发布日期: 2025-12-31 15:54:38 阅读量: 33 上一篇 西门子S7-1200PLC 控制步进电机 MD-4240-PN (1) 电机开箱 下一篇 西门子S7-1200 PLC控制步进电机 MD-4240-PN (3) 软件组态